Каталог

Фильтр сливной OMTP103F06N2 6 мкм, 3/4" BSP

(0)
Описание
Отзывы
Описание
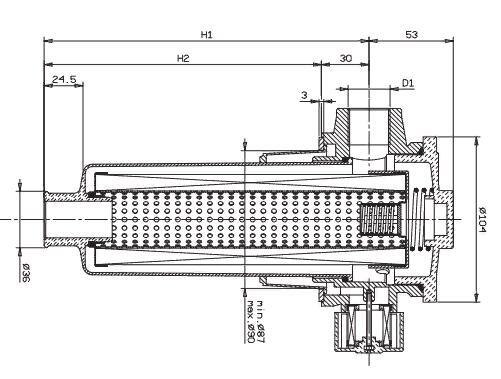
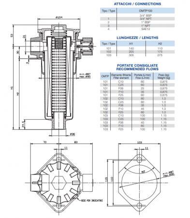
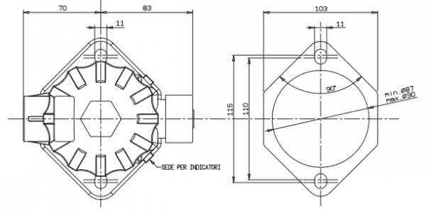
OMTP - это серия фильтров обратной линии. их ассортимент состоит из двух типоразмеров. Фильтры OMTP располагают в верхней части бака и в стандартной комплектации имеют перепускной клапан и воздушный сапун, предназначенный для фильтрации воздуха, обмениваемого с окружающей средой. Фильтрующие элементы изготавливаются из самых современных материалов, чтобы обеспечить высокую эффективность и продолжительность фильтрации. Модульное производство OMTP позволяет заказчикам выбирать наиболее подходящую конфигурацию.
Отзывы
Отзывов еще никто не оставлял
Обратный звонок
Запрос успешно отправлен!
Имя *
Телефон *
Предзаказ
Предзаказ успешно отправлен!
Имя *
Телефон *
Добавить в корзину
Название товара
100 ₽
1 шт.
Перейти в корзину