Описание
Отзывы
Описание
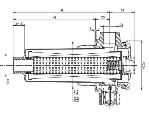
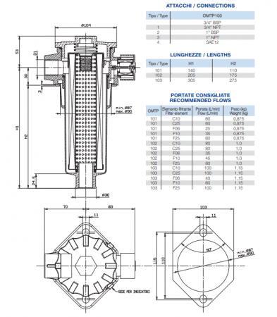
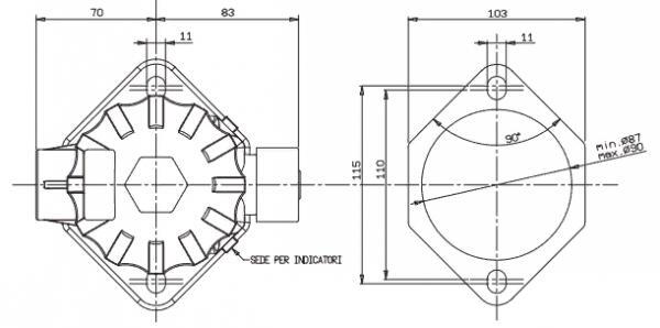
OMTP - это серия фильтров обратной линии. их ассортимент состоит из двух типоразмеров. Фильтры OMTP располагают в верхней части бака и в стандартной комплектации имеют перепускной клапан и воздушный сапун, предназначенный для фильтрации воздуха, обмениваемого с окружающей средой. Фильтрующие элементы изготавливаются из самых современных материалов, чтобы обеспечить высокую эффективность и продолжительность фильтрации. Модульное производство OMTP позволяет заказчикам выбирать наиболее подходящую конфигурацию.
Отзывы
Отзывов еще никто не оставлял
Сопутствующие товары
