Каталог

Гидравлический мотор BMS 315сс (аналог MS 315)

(0)
Описание
Отзывы
Описание
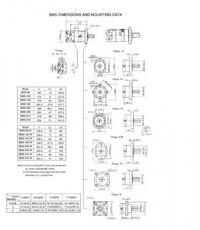
Гидромоторы серии MS - это гидромоторы средней мощности, имеют высокий стартовый крутящий момент, возможность работать в большом диапазоне скоростей, а так же стабильных оборотах на высоких скоростях. Модели серии MS снабжены тарельчатым клапаном: отдельный распределительный клапан приводится в движение коротким карданным валом (клапанный привод). Уравновешивающий диск выравнивает гидравлическое усилие вокруг распределительного клапана.
Отзывы
Отзывов еще никто не оставлял
Обратный звонок
Запрос успешно отправлен!
Имя *
Телефон *
Предзаказ
Предзаказ успешно отправлен!
Имя *
Телефон *
Добавить в корзину
Название товара
100 ₽
1 шт.
Перейти в корзину