Описание
Отзывы
Описание
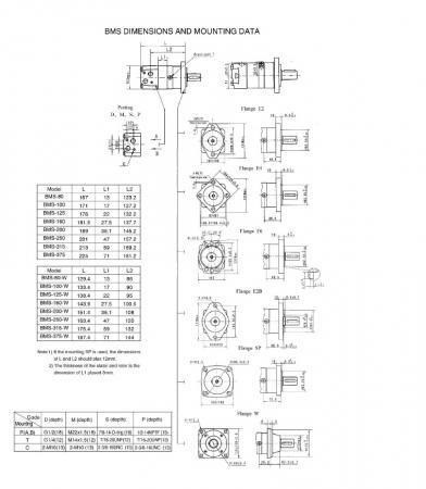
Гидромоторы серии MS - это гидромоторы средней мощности, имеют высокий стартовый крутящий момент, возможность работать в большом диапазоне скоростей, а так же стабильных оборотах на высоких скоростях. Модели серии MS снабжены тарельчатым клапаном: отдельный распределительный клапан приводится в движение коротким карданным валом (клапанный привод). Уравновешивающий диск выравнивает гидравлическое усилие вокруг распределительного клапана.
Отзывы
Отзывов еще никто не оставлял
Сопутствующие товары
