Описание
Отзывы
Описание
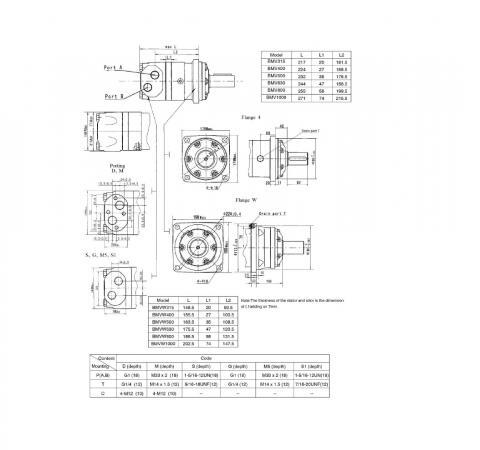
Гидромоторы серии MV - это гидромоторы относящиеся к моторам высокой мощности. Модели серии MV снабжены тарельчатым клапаном: отдельный распределительный клапан приводится в движение коротким карданным валом (клапанный привод). Уравновешивающий диск выравнивает гидравлическое усилие вокруг распределительного клапана. Этот тип моторов подходит для реверсивных нагрузок, высоких давлений, тяжелых условий эксплуатации. Гидромоторы серии MV применяются в механизмах и рабочих узлах различной строительной, промышленной и буровой техники.
Отзывы
Отзывов еще никто не оставлял
Сопутствующие товары
