Описание
Отзывы
Описание
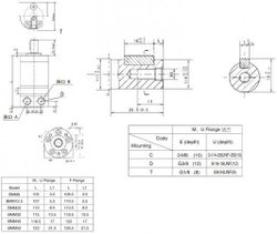
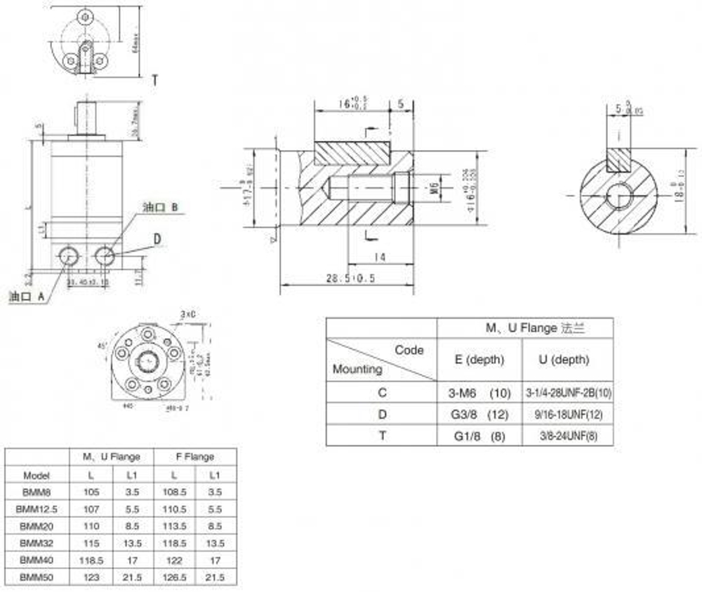
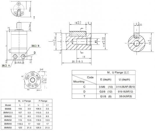
Корпус моторов серии BMM изготовлен из чугуна со сфероидальным графитом, обладающий высокой прочностью. Гидромоторы серии BMM широко применяются в сельском хозяйстве, лесной промышленности, пластмассовой промышленности, станках.
Отзывы
Отзывов еще никто не оставлял
Сопутствующие товары
