Описание
Отзывы
Описание
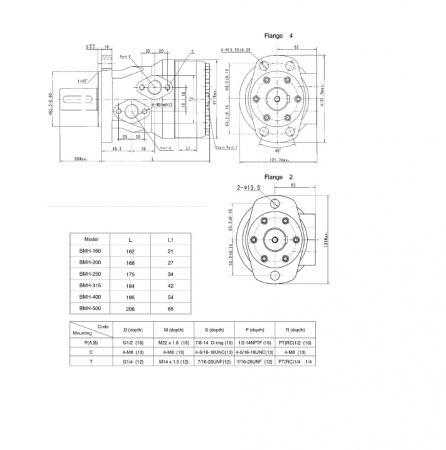
Гидромоторы серии MH - это гидромоторы относящиеся к моторам средней мощности. Модели серии MН снабжены золотниковым клапаном: распределительный клапан встроен в выходной вал. Таким образом, карданный вал вращает распределительный клапан, и механическая энергия попадает из геротора на выходной вал. Этот тип моторов подходит для реверсивных нагрузок, высоких давлений, тяжелых условий эксплуатации и применяется в конвейерах, металлообрабатывающих станках, дорожно-строительной технике, горном оборудовании, пищевой промышленности, сельскохозяйственных машинах, спец технике.
Отзывы
Отзывов еще никто не оставлял
Сопутствующие товары
