Каталог

Гидромотор аксиально-поршневой МГ 2.12/32.1.А (аналог 210.12.01.00)

(0)
Описание
Отзывы
Описание
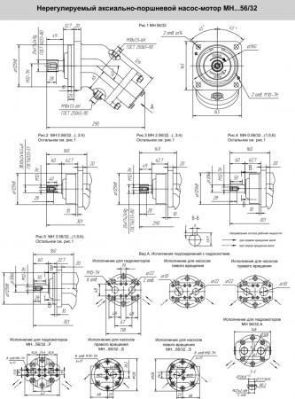
Насос – моторы аксиально-поршневые нерегулируемые с наклонным блоком типа МГ 12/32 используются в объемных гидроприводах машин и агрегатов в режимах нерегулируемого насоса или гидромотора.

Насос-моторы изготавливаются со шлицевым или шпоночным выходными концами вала и различными вариантами исполнения заднего корпуса.

Исполнение с реверсом по направлению вращения вала применимо к гидромоторам, а исполнения правого (левого) вращения – к насосам.
Отзывы
Отзывов еще никто не оставлял
Обратный звонок
Запрос успешно отправлен!
Имя *
Телефон *
Предзаказ
Предзаказ успешно отправлен!
Имя *
Телефон *
Добавить в корзину
Название товара
100 ₽
1 шт.
Перейти в корзину