Описание
Отзывы
Описание
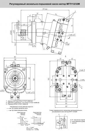
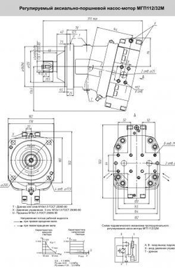
Насос – моторы аксиально-поршневые регулируемые типа МГП 112/32М используются в объемных гидроприводах машин и агрегатов в режимах регулируемого насоса или гидромотора.
Насос предназначен для преобразования механической энергии вращения приводного вала в энергию переменного по величине потока рабочей жидкости (в закрытой схеме).
Гидромотор предназначен для привода исполнительных механизмов, требующих дискретного регулирования частоты вращения.
Насос предназначен для преобразования механической энергии вращения приводного вала в энергию переменного по величине потока рабочей жидкости (в закрытой схеме).
Гидромотор предназначен для привода исполнительных механизмов, требующих дискретного регулирования частоты вращения.
Отзывы
Отзывов еще никто не оставлял
Сопутствующие товары
