Описание
Отзывы
Описание
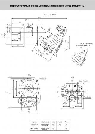
Насос – моторы аксиально-поршневые нерегулируемые с наклонным блоком типа МН250/160 используются в объемных гидроприводах машин и агрегатов в режимах нерегулируемого насоса или гидромотора.
Отзывы
Отзывов еще никто не оставлял
Сопутствующие товары
