Описание
Отзывы
Описание
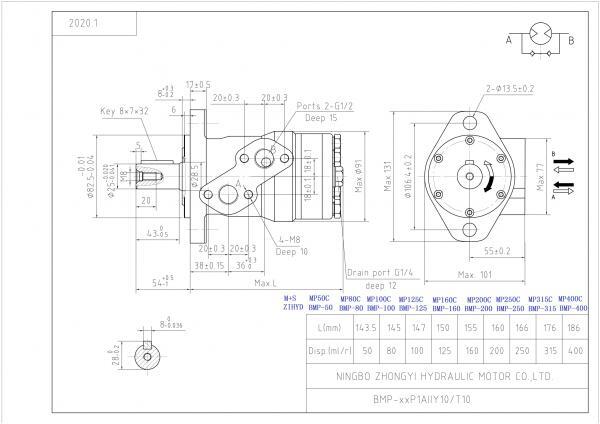
Гидромоторы серии МР 100 представляют собой героторные приводные механизмы универсального применения. Такое исполнение позволяет обеспечивать при малых и средних оборотах вала высокие значения моментов без необходимости использования дополнительных ступеней привода. Их важными преимуществами являются: повышение надежности оборудования; снижение массы конструкции; уменьшение себестоимости гидропривода.
Кроме того, это самосмазывающиеся аппараты, которые при регулярной замене масла в системе почти не требуют дополнительного технического обслуживания.
Применение:
Сельскохозяйственная и строительная спецтехника.
Станочное оборудование.
Конвейеры.
Краны, подъемники разных конструкций.
Деревообрабатывающее оборудование.
Кроме того, это самосмазывающиеся аппараты, которые при регулярной замене масла в системе почти не требуют дополнительного технического обслуживания.
Применение:
Сельскохозяйственная и строительная спецтехника.
Станочное оборудование.
Конвейеры.
Краны, подъемники разных конструкций.
Деревообрабатывающее оборудование.
Отзывы
Отзывов еще никто не оставлял
Сопутствующие товары
