Описание
Отзывы
Описание
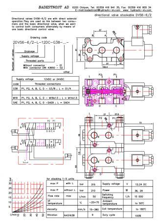
Гидравлический дивертор Badestnost DVS6-6/2L селекторного типа предназначен для переключения потока рабочей жидкости между двумя потребителями (при одноканальной конструкции). Кран-дивертор Badestnost DVS6-6/2L может иметь от одного до пяти клапанов, собранных в один блок.
Отзывы
Отзывов еще никто не оставлял
Сопутствующие товары
