Описание
Отзывы
Описание
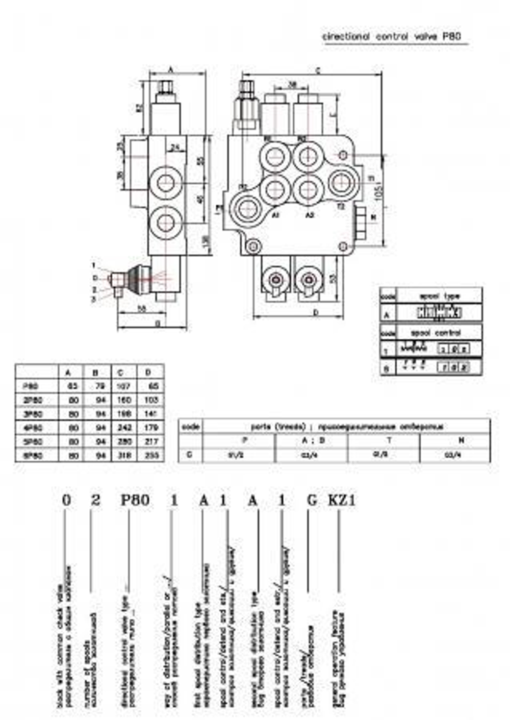
Моноблочный гидрораспределитель Р80 с ручным управлением предназначен для контроля за распределением и расходом рабочей жидкости. Выполнен по схеме с открытым центром и ручным управлением золотниками. Золотники центрируются в среднем положении пружиной с фиксацией или без в крайних положениях.
Отзывы
Отзывов еще никто не оставлял
Сопутствующие товары
