Каталог

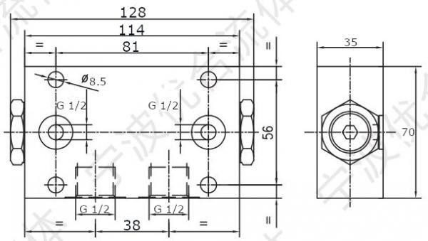
Гидрозамок двухсторонний VRDL/B-G1/2, G 1/2", 55 л/мин

(0)
Описание
Отзывы
Описание
Гидрозамок двустороннего действия предназначен для удержания гидравлических механизмов в статическом положении под нагрузкой. Гидравлическая жидкость блокируется в полостях C1 и C2 при отсутствии давления в линиях V1 и V2.
Отзывы
Отзывов еще никто не оставлял
Обратный звонок
Запрос успешно отправлен!
Имя *
Телефон *
Предзаказ
Предзаказ успешно отправлен!
Имя *
Телефон *
Добавить в корзину
Название товара
100 ₽
1 шт.
Перейти в корзину