Описание
Отзывы
Описание
Производитель: Oleodinamica Marchesini, Италия
Применяемость: Производство маслостанций на высокое давление
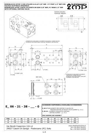
Тип монтажной плиты: VMP NG6 CETOP 3
Плита присоединительная CETOP 3 с предохранительным клапаном
Давление: 350 bar
Присоединения:
AB - G 3/8
PT - G 1/2
Применяемость: Производство маслостанций на высокое давление
Тип монтажной плиты: VMP NG6 CETOP 3
Плита присоединительная CETOP 3 с предохранительным клапаном
Давление: 350 bar
Присоединения:
AB - G 3/8
PT - G 1/2
Отзывы
Отзывов еще никто не оставлял
Сопутствующие товары
