Описание
Отзывы
Описание
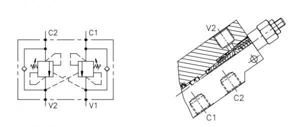
Двусторонние тормозные клапаны VBCD предназначены для обеспечения плавного опускания нагруженных попутной нагрузкой гидродвигателей. Кроме того, клапаны обеспечивают функцию запорного элемента (гидрозамка), функцию ограничения максимального давления и предотвращения кавитации.
Отзывы
Отзывов еще никто не оставлял
Сопутствующие товары
