Описание
Отзывы
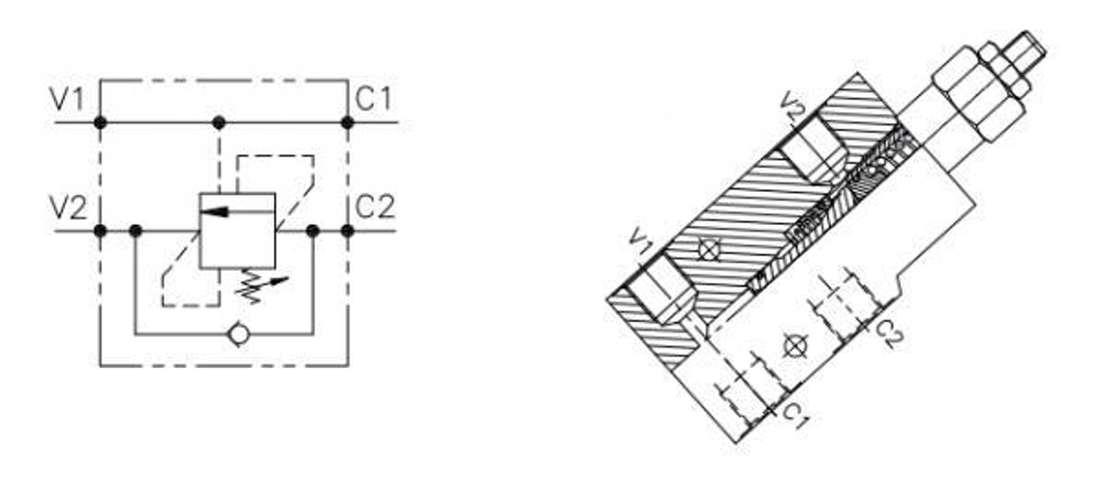
Описание
Односторонние тормозные клапаны A-OWC предназначены для обеспечения плавного опускания нагруженных попутной нагрузкой гидродвигателей. Кроме того, клапаны обеспечивают функцию запорного элемента (гидрозамка), функцию ограничения максимального давления и предотвращения кавитации. Указанные функции обеспечиваются для линии гидродвигателя, подключенной к порту С2 клапана.
Отзывы
Отзывов еще никто не оставлял
Сопутствующие товары
