Каталог

Указатель уровня масла с термометром LV2E-CM 127мм

(0)
Описание
Отзывы
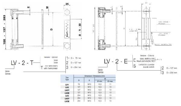
Описание
Визуальные индикаторы уровня позволяют определить уровень жидкости в гидравлическом баке. Устанавливаются на стенку бака. Имеется исполнение со шкалой термометра.
Отзывы
Отзывов еще никто не оставлял
Обратный звонок
Запрос успешно отправлен!
Имя *
Телефон *
Предзаказ
Предзаказ успешно отправлен!
Имя *
Телефон *
Добавить в корзину
Название товара
100 ₽
1 шт.
Перейти в корзину