Описание
Отзывы
Описание
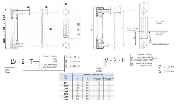
Визуальные индикаторы уровня позволяют определить уровень жидкости в гидравлическом баке. Устанавливаются на стенку бака. Имеется исполнение со шкалой термометра.
Отзывы
Отзывов еще никто не оставлял
Сопутствующие товары
