Каталог

Гидравлический мотор BMV 500сс (аналог MV 500C)

(0)
Описание
Отзывы
Описание
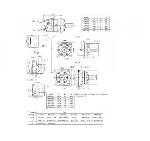
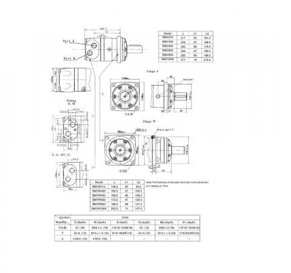
Гидромоторы серии MV - это гидромоторы относящиеся к моторам высокой мощности. Модели серии MV снабжены тарельчатым клапаном: отдельный распределительный клапан приводится в движение коротким карданным валом (клапанный привод). Уравновешивающий диск выравнивает гидравлическое усилие вокруг распределительного клапана. Этот тип моторов подходит для реверсивных нагрузок, высоких давлений, тяжелых условий эксплуатации. Гидромоторы серии MV применяются в механизмах и рабочих узлах различной строительной, промышленной и буровой техники.
Отзывы
Отзывов еще никто не оставлял
Обратный звонок
Запрос успешно отправлен!
Имя *
Телефон *
Предзаказ
Предзаказ успешно отправлен!
Имя *
Телефон *
Добавить в корзину
Название товара
100 ₽
1 шт.
Перейти в корзину