Каталог

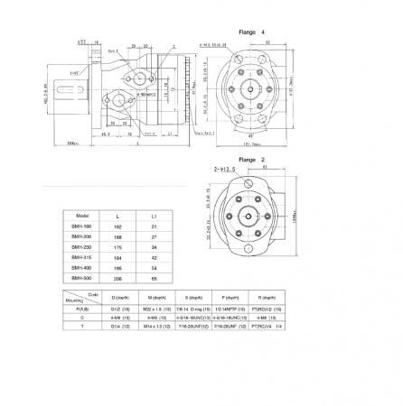
Гидравлический мотор ВМН 250сс (аналог MH 250C)

(0)
Описание
Отзывы
Описание
Гидромоторы серии MH - это гидромоторы относящиеся к моторам средней мощности. Модели серии MН снабжены золотниковым клапаном: распределительный клапан встроен в выходной вал. Таким образом, карданный вал вращает распределительный клапан, и механическая энергия попадает из геротора на выходной вал. Этот тип моторов подходит для реверсивных нагрузок, высоких давлений, тяжелых условий эксплуатации и применяется в конвейерах, металлообрабатывающих станках, дорожно-строительной технике, горном оборудовании, пищевой промышленности, сельскохозяйственных машинах, спец технике.
Отзывы
Отзывов еще никто не оставлял
Обратный звонок
Запрос успешно отправлен!
Имя *
Телефон *
Предзаказ
Предзаказ успешно отправлен!
Имя *
Телефон *
Добавить в корзину
Название товара
100 ₽
1 шт.
Перейти в корзину