Описание
Отзывы
Описание
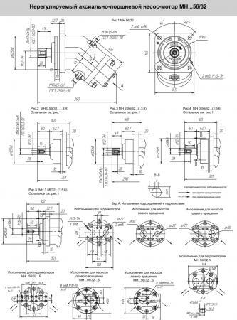
Насос – моторы аксиально-поршневые нерегулируемые с наклонным блоком типа МГ2.28/32 используются в объемных гидроприводах машин и агрегатов в режимах нерегулируемого насоса или гидромотора.
Насос-моторы изготавливаются со шлицевым или шпоночным выходными концами вала и различными вариантами исполнения заднего корпуса.
Исполнение с реверсом по направлению вращения вала применимо к гидромоторам, а исполнения правого (левого) вращения – к насосам.
Насос-моторы изготавливаются со шлицевым или шпоночным выходными концами вала и различными вариантами исполнения заднего корпуса.
Исполнение с реверсом по направлению вращения вала применимо к гидромоторам, а исполнения правого (левого) вращения – к насосам.
Отзывы
Отзывов еще никто не оставлял
Сопутствующие товары
