Каталог

Гидронасос аксиально-поршневой МН 2.56/32.4 левое направление вращение (аналог 310.2.56.03.06)

(0)
Описание
Отзывы
Описание
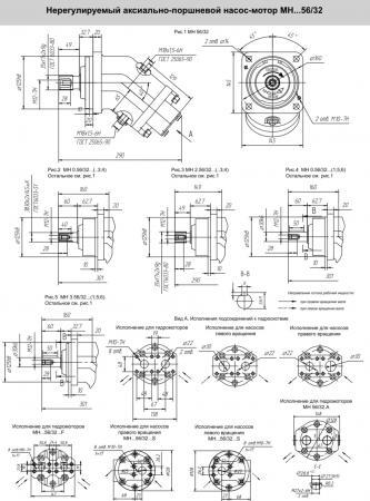
Насос – моторы аксиально-поршневые нерегулируемые с наклонным блоком типа МН 56/32 используются в объемных гидроприводах машин и агрегатов в режимах нерегулируемого насоса или гидромотора.

Насос-моторы изготавливаются со шлицевым или шпоночным выходными концами вала и различными вариантами исполнения заднего корпуса.

Исполнение с реверсом по направлению вращения вала применимо к гидромоторам, а исполнения правого (левого) вращения – к насосам.
Отзывы
Отзывов еще никто не оставлял
Обратный звонок
Запрос успешно отправлен!
Имя *
Телефон *
Предзаказ
Предзаказ успешно отправлен!
Имя *
Телефон *
Добавить в корзину
Название товара
100 ₽
1 шт.
Перейти в корзину