Каталог

Плита монтажная EA06-21-38-02-1-4-H NG6 CETOP 3 для ВЕ6 двухместная с клапаном предохранительным

(0)
Описание
Отзывы
Описание
Производитель: Oleodinamica Marchesini, Италия

Применяемость: Производство маслостанций на высокое давление

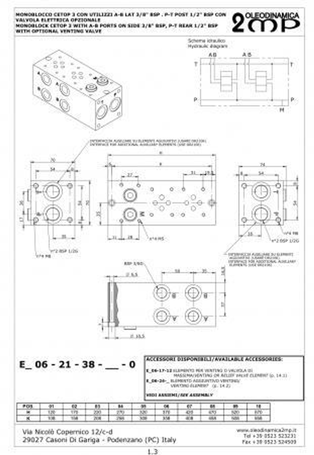
Тип монтажной плиты: VMP NG6 CETOP 3

Плита присоединительная CETOP 3 с предохранительным клапаном

Давление: 350 bar

Присоединения:

AB - G 3/8

PT - G 1/2
Отзывы
Отзывов еще никто не оставлял
Обратный звонок
Запрос успешно отправлен!
Имя *
Телефон *
Предзаказ
Предзаказ успешно отправлен!
Имя *
Телефон *
Добавить в корзину
Название товара
100 ₽
1 шт.
Перейти в корзину